您好,
退出
登录
繁体版
|
三晋通
三晋通APP
|
大同市规划和自然资源局微信公众号
中国政府网
省政府
市政府
首页
机构职能
局领导
科室职能
权责清单
人事信息
工作动态
图片新闻
县区动态
市局动态
山西要闻
国务院要闻
政务公开
政府信息公开
通知公告
政策法规
政策解读
规划公示
政府网站年度报表
政务服务
互动交流
申请诉求
热线回复
留言统计
大同市
无障碍浏览
首页
>
政务公开
>
政府网站年度报表
索 引 号:
信息分类:
政府网站年度报表
发布机构:
发布日期:
2021-01-13 17:24
标题:
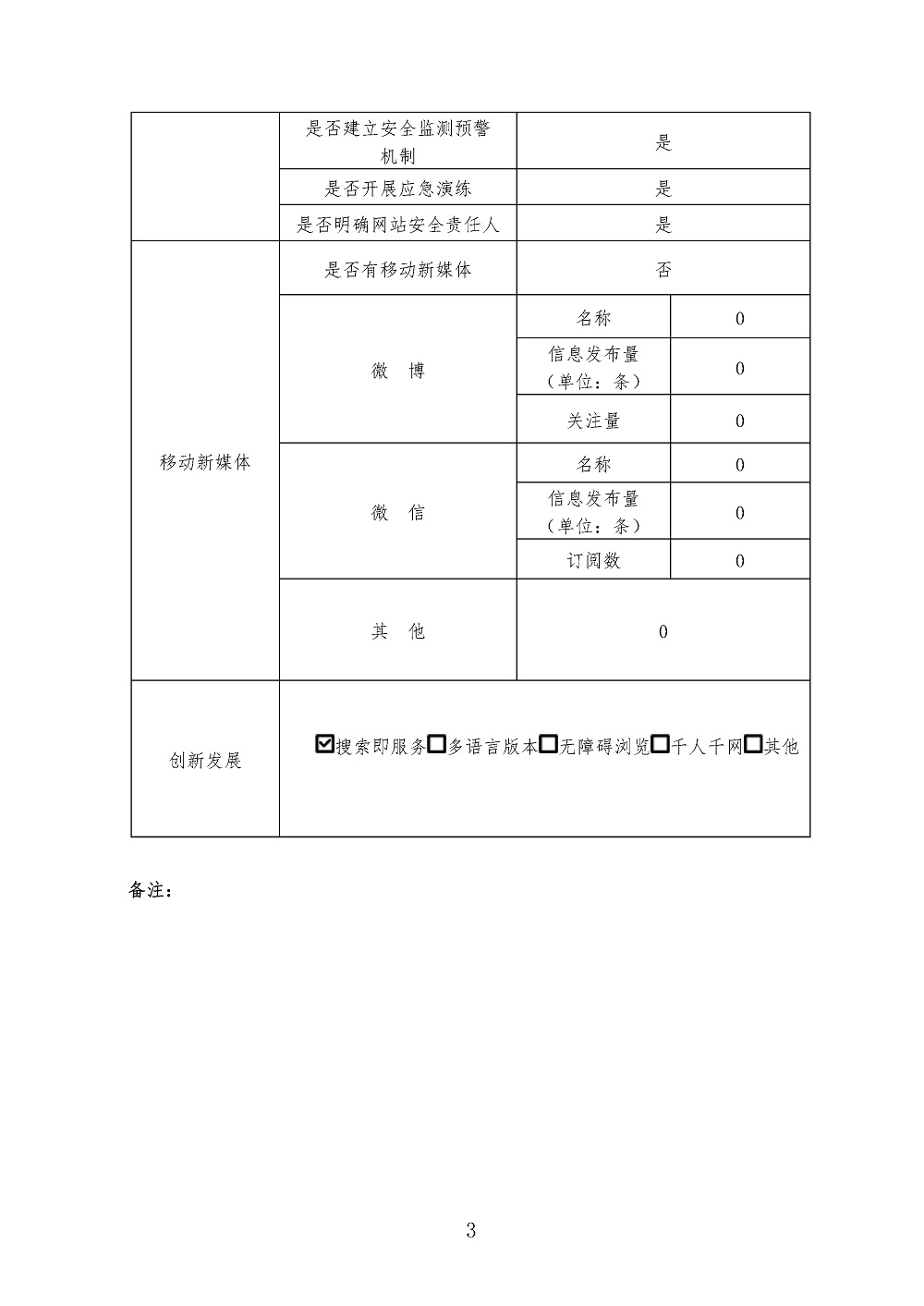
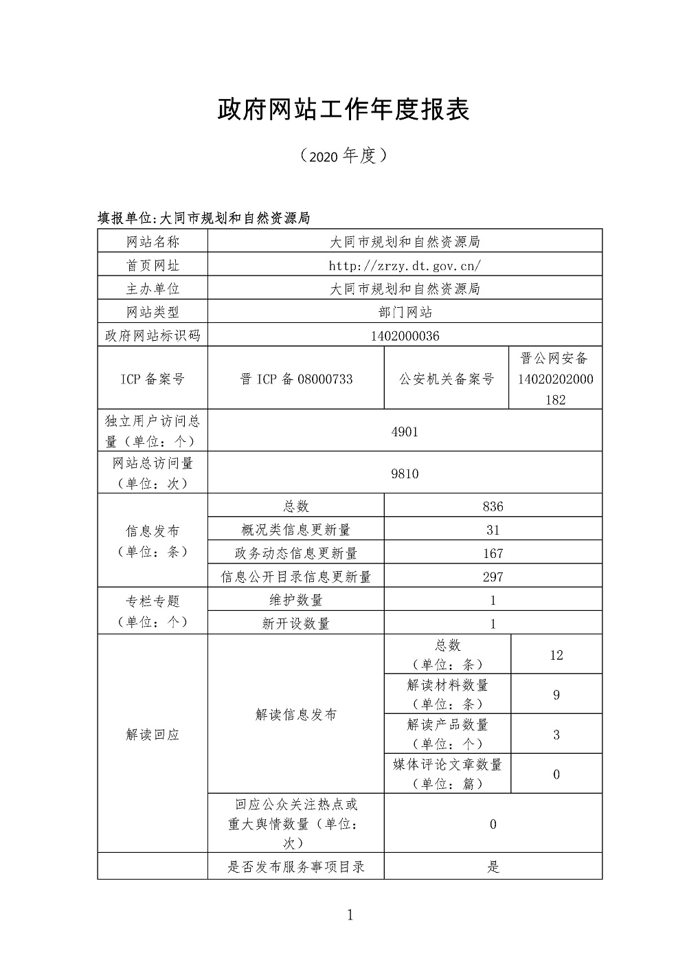
大同市规划和自然资源局网站(2020年)工作年度报表
文号:
时效:
大同市规划和自然资源局网站(2020年)工作年度报表
发布时间:
2021-01-13 17:24
来源:
大同市规划和自然资源局
|
|
|
|
微信
微博
QQ空间
文件下载
大同市规划和自然资源局网站(2020年)工作年度报表.pdf
扫一扫在手机上查看当前页面
相关解读
相关政策
相关稿件